"Standard" clips
Price per unit 2.4
Crimped diameter, mm, up 3.5
Clip thickness, mm 1.2
Barbed wire clips
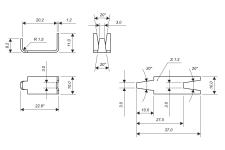
The “Standard” clip is used in the manufacture of all types of Gurza security barriers to fasten spiral coils together. The “Standard” clip is also used in the installation of barbed wire or Gurza concertina barriers to connect individual security barriers to a common barrier, as well as for attaching a spiral barrier to a tension wire. The design of the clip allows you to securely fasten the turns of the Gurza barbed wire, providing high strength concertina barriers based on it. We produce the “Standard” clip on our own equipment, so we can ensure its high quality and low cost for the buyer.
The “Standard” clip is made of galvanized steel EN 10346 with a thickness of 1.2 mm on automatic stamping equipment. The thickness of the zinc coating of steel is 140-290 g/m2. The “Standard” clip has a dovetail design – when crimped on a razor wire, its ends enter the “lock”, forming a durable ring that is very difficult to unclench or bite. The “Standard” clip has a width of 10 mm and a length of 37 mm in the unfolded form, which is quite enough to ensure high strength barriers. The length of the Standard clip allows it to be used to fasten the Gurza barbed wire with a diameter of 2.75 mm, the Concertina barbed wire with a diameter of 3.1 mm and the Egoza-Standard barbed wire with a diameter of 3.5 mm.
Specifications
| Clip type | “Dovetail” |
|---|---|
| Clip thickness, mm, not less | 1.2 |
| Steel standard | EN 10346 |
| Zinc coating, g/m2 | 140-290 |
| Clip length in the scan, mm | 37 |
| Clip width, mm | 10 |




