Ленточная скоба «Стандарт»
Цена за штуку 2,4
Обжимаемый диаметр, мм, до3,5
Толщина скобы, мм 1,2
Клипса для колючей проволоки
Ленточная скоба «Стандарт» используется в производстве спиральных заграждений Гюрза всех типов для скрепления между собой витков спирального барьера. Скоба «Стандарт» также применяется при монтаже колючей проволоки или заграждений Гюрза для соединения отдельных спиральных барьеров в общее заграждение, а также для крепления спирального заграждения к натяжной проволоке. Конструкция скобы позволяет надежно скреплять витки колючей проволоки Гюрза, обеспечивая высокую прочность колюче-режущих заграждений на ее основе. Мы производим скобу «Стандарт» на собственном оборудовании, поэтому можем обеспечить ее высокое качество и низкую стоимость для покупателя.
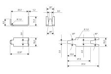
Скоба «Стандарт» изготавливается из оцинкованной стали EN 10346 толщиной 1,2 мм на автоматическом штамповочном оборудовании. Толщина цинкового покрытия стали – 140-290 г/м2. Ленточная скоба «Стандарт» имеет конструкцию «ласточкин хвост» – ее концы при обжатии на колючей проволоке входят «в замок», образуя прочное кольцо, которое очень сложно разжать или перекусить. Скоба «Стандарт» имеет ширину 10 мм и длину 37 мм в развернутом виде, что вполне достаточно для обеспечения высокой прочности заграждений. Длина скобы «Стандарт» позволяет ее использовать для скрепления колючей проволоки Гюрза диаметром 2,75 мм, колючей проволоки Концертина диаметром 3,1 мм и Егоза-Стандарт диаметром 3,5 мм.
Технические характеристики
| Тип скобы | «Ласточкин хвост» |
|---|---|
| Толщина скобы, мм, не менее | 1,2 |
| Стандарт стали | EN 10346 |
| Цинковое покрытие, 2 класс, г/м2 | 140-290 |
| Длина скобы в развертке, мм | 37 |
| Ширина скобы, мм | 10 |




